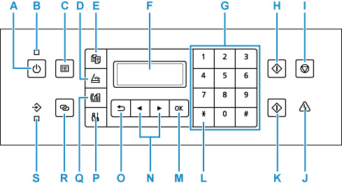
لوحة التشغيل

- A: الزر تشغيل (ON)
-
يُستخدم في التشغيل أو إيقاف التشغيل. تأكد من إغلاق غطاء المستندات قبل تشغيل الطاقة.
- B: المصباح تشغيل (ON)
- يضيء بعد إصداره وميضًا عند تشغيل الطاقة.
- C: الزر القائمة (MENU)
- لعرض شاشة Copy menu أو Scan menu أو Fax menu.
- D: الزر مسح ضوئي (SCAN)
- لتحويل الطابعة إلى وضع المسح الضوئي.
- E: الزر نسخ (COPY)
- لتحويل الطابعة إلى وضع النسخ.
- F: LCD (شاشة الكريستال السائل)
- تعرض الرسائل، وعناصر القوائم، وحالة التشغيل.
- G: الأزرار الرقمية
- تستخدم لإدخال قيم رقمية مثل عدد النُسخ، وكذلك رموز وأرقام الفاكس/الهاتف.
- H: الزر أسود (Black)
- للبدء في النسخ والمسح الضوئي وإرسال الفاكسات وغيرها من العمليات باللونين الأبيض والأسود.
- I: الزر إيقاف (Stop)
- لإلغاء التشغيل عندما تكون هناك مهمة طباعة أو نسخ أو مسح ضوئي أو إرسال/استلام فاكس قيد التنفيذ.
- J: المصباح تنبيه (Alarm)
- يضيء هذا المصباح أو يصدر وميضًا عند حدوث خطأ.
- K: الزر اللون (Color)
- للبدء في النسخ والمسح الضوئي وإرسال الفاكسات وغيرها من العمليات بالألوان.
- L: الزر نغمة (Tone)
- للتبديل مؤقتًا إلى الطلب بنغمة إذا كانت الطابعة متصلة بخط نبضات دوارة.
- M: الزر موافق (OK)
- يقوم بإنهاء تحديد عنصر قائمة أو عنصر إعداد. كما يتم استخدام هذا الزر لمعالجة أحد الأخطاء أو لإخراج المستندات الموجودة في ADF (وحدة التغذية التلقائية للمستندات).
- N: الزران
و
-
يُستخدمان لتحديد عنصر إعداد. ويُستخدَم هذان الزران أيضًا لإدخال الأحرف.
- O: الزر السابق (Back)
- لإعادة شاشة LCD إلى الشاشة السابقة.
- P: الزر إعداد (Setup)
- يقوم بعرض شاشة Setup menu. باستخدام هذه القائمة، يمكنك إجراء صيانة للطابعة وتغيير إعدادات الطابعة. كما يتم استخدامه لتحديد وضع الإدخال.
- Q: زر الفاكس (FAX)
- لتحويل الطابعة إلى وضع الفاكس.
- R: زرالاتصال اللاسلكي (Wireless connect)
- لتعيين معلومات الموجه اللاسلكي في الطابعة مباشرة من هاتف ذكي أو من جهاز آخر (دون الحاجة إلى القيام بأية إجراءات في الموجه)، اضغط مع الاستمرار على هذا الزر.
- S: المصباح ذاكرة الفاكس (FAX Memory)
- يضيء عند وجود مستندات تم استلامها أو عند وجود مستندات محفوظة في ذاكرة الطابعة ولم يتم إرسالها.

